DIN444 eyebolts are usually made of carbon steel, such as Q235 and 45# steel. These materials have good mechanical properties and processing properties. In order to improve the corrosion resistance and aesthetics of eyebolts, they are usually galvanized. Galvanizing can form a dense zinc layer on the surface of the bolt, thereby slowing down the rust and corrosion of the bolt.
DIN444 eyebolts have a lifting eye part and a threaded part. The lifting eye part is usually used to connect slings, chains or other lifting equipment, while the threaded part is used to cooperate with nuts or other fasteners to achieve a tightening effect.
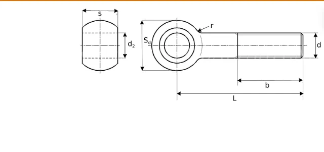
Products Data

| Screw Thread d |
M5 | M6 | M8 | ||
|---|---|---|---|---|---|
| P | Pitch | 0.8 | 1 | 1.25 | |
| Length of Thread b |
L≤125 | 16 | 18 | 22 | |
| 125<L≤200 | - | - | 28 | ||
| L>200 | - | - | - | ||
| d2 | min=nominal size | 5 | 6 | 8 | |
| max | 5.03 | 6.03 | 8.036 | ||
| Sd | max | 12 | 14 | 18 | |
| Type A | min | 10.9 | 12.9 | 16.9 | |
| Type B and C | min | 11.57 | 13.57 | 17.57 | |
| r | Nominal Size | 2.5 | 4 | 4 | |
| max | 3.75 | 6 | 6 | ||
| min | 1.875 | 3 | 3 | ||
| s | Type A | max | 8 | 9 | 11 |
| min | 7.52 | 8.52 | 10.3 | ||
| Type B and C | max | 6 | 7 | 9 | |
| min | 5.88 | 6.85 | 8.85 | ||
Products display
Steel Yellow Zinc Plated DIN444 Eye Bolts

Why Choose GNEE
GNEE specializes in the production of stainless steel chains, shackles, wire ropes, wire rope clips, turnbuckles, terminals, screws and other metal products. The products are of excellent quality and novel style, and are widely used in various buildings. They not only have a large domestic sales market, but also are exported to Europe and the United States.
We can produce many types of shackle bodies, and our shackles are exported to all over the world. We can produce shackles of various sizes, and we can also produce special shackles according to customer requirements.
If any question,please contact with us freely by E-mail or Telephone. sales@gneetube.com
GNEE CUSTOMER VISIT

GNEE GROUP PARTICIPATED IN THE NECC EXHIBITION

GNEE FACTORY ENVIRONMENT

GNEE PACKAGING AND SHIPPING

FAQ
Q.Do you have quality control?
A.Yes, we have got BV.SGS certification.
Q.Can you provide samples?
A. Yes, free samples are available for regular sizes, but buyers need to pay the shipping cost.
Q.Where are you located? Can I visit you?
A.Sure, you are welcome to visit our factory anytime.
Hot Tags: din444 steel zinc plated eye bolts, China din444 steel zinc plated eye bolts manufacturers, suppliers, factory, A213 heat exchanger tubes, 904L stainless steel pipe, Alloy 309 stainless steel, 347 stainless steel pipe, JIS G3456 STPT 480 seamless carbon steel pipe, Duplex steel S31803 seamless piping



